+86-0523-83274900
Kvinnelig John Morris gjenget kobling

Kvinnelig John Morris gjenget kobling

Den kvinnelige John Morris Threaded Coupling tilhører John Morris Coupling -serien, med den ene enden med en intern eller ekstern tråd og den andre enden har en Koblingssporet.
Denne koblingen er vant til Koble brannslanger og brannslukningsutstyr (som brannpumper, brannslanger og brannhydranter).

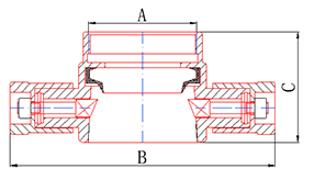
Dimensjoner Ressurser

Punkt nr.

Din/mm

Dia

A/mm

B/mm

C/mm

Kyk

65/50

2.5 "/2"

G2 "

182

76

65

2.5 "

G2.5 "

182

76

* Materialer og produksjonsprosesser kan tilpasses på forespørsel.
* Andre krav (for eksempel arbeidstrykk, sprengtrykk osv.) Kan også tilpasses etter behov.

Jiangsu Jinding Fire Protection Technology Co., Ltd.
Jiangsu Jinding Fire Protection Technology Co., Ltd., som ligger i Jiang Su Xinghua Economic Development Zone, ble grunnlagt i 1998. Det er et industrielt selskap som integrerer design, utvikling, produksjon og salg. Selskapet har bestått ISO9001: 2015 -sertifisering av kvalitetssystem og frivillig sertifisering av produkt, og de relaterte produktene har fått inspeksjonsrapporten for National Fire Equipment Kvalitet Supervision and Inspection Center.
Vi produserer hovedsakelig flere produktserier, inkludert brannslokkingskoblinger, vanndyser, brannhydranter, rørkoblinger med stor diameter og vannforsyningskoblinger for oljefelt. Disse produktene er mye brukt i brannvern, petroleum, kjemisk, militær og annen industri.
Selskapet har god uavhengig FoU -evne og har et komplett sett med produksjonsprosesser som muggproduksjon, produksjonsbehandling og produkttesting. Samtidig gir bedriften viktigheten av kundene, rettidig griper markedsdynamikken, kontinuerlig utvikler og produserer nye produkter, og vinner tilliten og ros for nye og gamle kunder.
Selskapet leverer pålitelig Kvinnelig John Morris gjenget kobling og profesjonelle tjenester basert på kvalitetsforpliktelse og samarbeidende partnerskap, med mål om å bygge bærekraftige samarbeidsrelasjoner med kunder.
27+

27 års industri Produksjonserfaring

Sertifikater
Nyheter
  • I ulike mekaniske transmisjonssystemer spiller koblinger en avgjørende rolle for å koble sammen to aksler (drivaksel og drevet aksel) og overføre dreiemoment...
  • A Brannslangekoblinger er en avgjørende komponent som kobler en brannslange til en vannkilde, dyse eller andre slanger. Dens kvalitet og riktige valg ...
  • Hva er Storz-adaptere? Storz adaptere , også kjent som Storz-koblinger eller Storz-hurtigkoblinger, er et svært effektivt koblingssystem...
  • Storz-koblinger (også kjent som Cam lock-koblinger eller tyske hurtigkoblinger) er hurtigkoblinger som er mye brukt i brannbeskyttelse, vannbehandling, kjemi...
La oss føre en samtale
Bare si hei, så starter vi et fruktbart samarbeid. Start din egen suksesshistorie.
Trenger du utstyr for virksomheten din?
La teamet vårt gi deg tilpassede løsninger.